五十铃6.3吨随车起重机,日本技术五十铃4*2底盘,190马力超强动力,MLD六档手动变速箱,徐工6.3吨直臂起重机,出口缅甸仰光
支付:
T/T, West Union价格:
$45,000/59,000产品起源:
China CEEC运输端口:
Shanghai Seaport交货时间:
15 Days五十铃6.3吨动臂起重机装载货运卡车出口迪拜

五十铃6300公斤随车起重机通常用于重型货物的起重和运输。我公司2016年新生产的五十铃6轮装载起重机货车、五十铃10轮装载动臂起重机的卡车和北奔12轮装载重型汽车起重机,广泛出口到亚洲的缅甸、菲律宾、老挝、柬埔寨等国;以及非洲的肯尼亚、科特迪瓦、坦桑尼亚、赞比亚、阿尔及利亚、喀麦隆等国。

最佳五十铃 6.3 T 伸缩式汽车起重机优势特点:
1、CEEC TRUCKS 是五十铃 6.3 吨随车起重机的制造商,多年来一直享有盛誉。起重机制造商包括徐工集团、UNIC、帕尔菲格、三一等。
2)先进的开发和分析手段确保设计非常可靠。
3)采用四连杆机构,起重能力更高。
4、法兰伸缩臂联轴器技术。
5、自主设计开发的回转机构,驱动力更大,能满足各种工况的要求。
6、六角臂更加对称的中心设计,使其具有更大的抗弯曲能力。
7、浮动三点桥结构设计,降低行驶时底盘车架的附加应力。

类似关键词:五十铃 6.3 吨随车起重机,五十铃 6.3t 随车起重机rgo卡车,我SUZU 六轮卡车起重机,最好的五十铃6300公斤安装卡车起重机,6.3吨随车起重机出售

|
五十铃6.3吨动臂起重机卡车供应商 |
|||
|
项目 |
范围 |
||
|
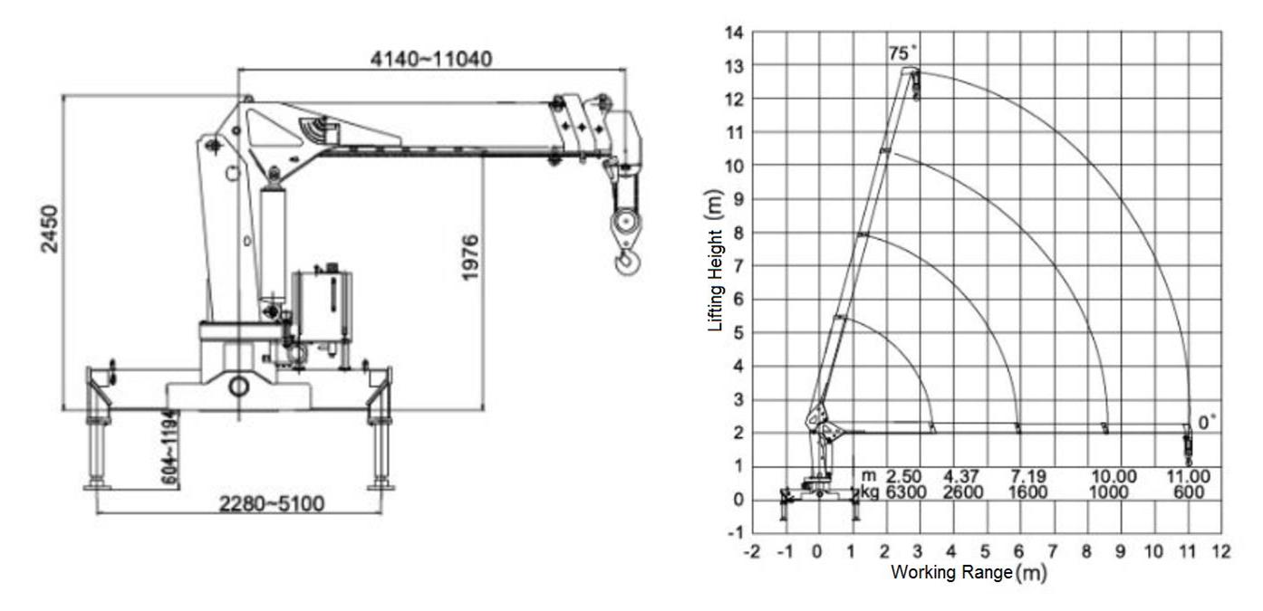
起重机参数 |
最大起重能力 |
6300公斤 |
|
|
最大起重力矩 |
15.7 TM |
||
|
推荐功率 |
20千瓦 |
||
|
液压系统最大油流量 |
40升/分钟 |
||
|
液压系统最大压力 |
20兆帕 |
||
|
油箱重量 |
90升 |
||
|
起重机重量 |
2160公斤 |
||
|
安装空间 |
900毫米 |
||
|
旋转角度 |
360°全方位旋转 |
||
|
罐体 |
货物厚度 |
边 |
3毫米 |
|
地面 |
4毫米 |
||
|
机壳 |
推荐底盘品牌 |
五十铃 |
|
|
驾驶模式 |
4x2 |
||
|
轮胎类型 |
8.25-16轮胎 |
||
|
轮胎编号 |
6+1个单位 |
||
|
最大速度 |
105公里/小时 |
||
|
出租车 |
1. 平屋顶,全钢焊接结构 2. 带液压减震器的弹簧悬架 3. 空调 4. 2个座位 1-DIN AM/FM CD/MP3播放器 |
||
|
引擎 |
力量 |
4HK1-TCG40发动机 190马力 |
|
|
燃料类型 |
柴油机 |
||
|
排放标准 |
欧3和欧4 |
||
|
变速箱 |
控制类型 |
手动的 |
|
|
齿轮 |
MLD 6档手动变速箱 |
||

此前出口迪拜五十铃卡车成功案例:
4台五十铃6.3吨汽车起重机:4HK1-TCG40发动机190HP,MLD 6档手动变速箱,XCMG 6.3T伸缩式汽车起重机。
1辆五十铃18米高空作业车:4HK1-TCG40发动机190HP,MLD 6档手动变速箱,18米高空作业平台。
3辆五十铃8CBM消防车:6HK1-TCSG40发动机280HP,FAST 9档手动变速箱,不锈钢油罐车材料。


五十铃 6.3 T 卡车起重机 SQ6.3SK2Q / SQ6.3SK3Q 正在生产:

2016 年新款五十铃 6.3 T 动臂起重机货运卡车 SQS157 徐工随车起重机:



CEEC推荐环保卡车系列
|
五十铃柴油油罐车 |
北奔牌油罐车 |
五十铃垃圾压缩机 |
东风20方垃圾压缩机 |
|
|
|
|
|
| 五十铃4方道路清扫车 |
五十铃8立方米清扫车 |
五十铃汽车起重机 |
高压喷射车 |
|
|
|
|
|
|
东风真空吸污车 |
北本粪坑空了 |
东风翻斗车 |
北奔摆臂式货车 |
|
|
|
|
|
|
北奔20方洒水车 |
东风20方洒水车 |
北奔滚装车 |
五十铃消防车 |
|
|
|
|
|
一个…日本技术五十铃底盘,搭载原装五十铃4HK1-TCG40发动机超强动力190马力
一个… 五十铃6300公斤吊车使用 MLD 6 档手动变速箱,6 个前进档和 1 个倒档
一个… 专业伸缩式随车起重机和折臂式起重机卡车供应商超过 10 年
一个…标准随车起重机品牌:XCMG、PALFINGER、UNIC、HIAB
一个…12 个月免费快速移动备件
一个…授权五十铃卡车出口商。
一个…五十铃垃圾压缩车培训服务

(五十铃6300Kg伸缩式汽车起重机抵达上海港)

(五十铃动臂起重机运货车与徐工6.3吨伸缩臂起重机一起吊装散货船运往苏丹)